源頭廠家 · 支持定制 · 降本增效 · 性價比高
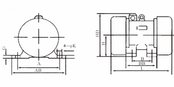
臥式振動電機安裝尺寸示意圖:

具體參數:
| 型號 | *大激振力N | 額定功率KW | 同步轉速r/min | 安裝尺寸(mm) | 外形尺寸(mm) | 重量kg | |||||||
| A | B | H | K | AB | BB | HD | G | L | |||||
| YZS1.5-2 | 1500 | 0.12 | 3000 | 130 | 80 | 80 | 12 | 170 | 118 | 200 | 19 | 245 | 13 |
| YZS2.5-2 | 2500 | 0.22 | 130 | 80 | 80 | 12 | 170 | 118 | 200 | 19 | 245 | 13 | |
| YZS3-2 | 3000 | 0.25 | 150 | 90 | 90 | 14 | 185 | 124 | 220 | 21 | 270 | 18 | |
| YZS5-2 | 5000 | 0.37 | 150 | 90 | 90 | 14 | 185 | 124 | 220 | 21 | 270 | 19 | |
| YZS10-2 | 10000 | 0.75 | 180 | 110 | 112 | 18 | 225 | 155 | 238 | 27 | 335 | 30 | |
| YZS15-2 | 15000 | 1.1 | 220 | 140 | 125 | 22 | 272 | 190 | 265 | 32 | 385 | 47 | |
| YZS20-2 | 20000 | 1.5 | 260 | 150 | 140 | 26 | 344 | 234 | 320 | 42 | 452 | 91 | |
| YZS30-2 | 30000 | 2.2 | 310 | 170 | 170 | 33 | 400 | 270 | 365 | 57 | 505 | 125 | |
| YZS1.5-4 | 1500 | 0.12 | 1500 | 130 | 80 | 80 | 12 | 170 | 118 | 200 | 19 | 245 | 13 |
| YZS3-4 | 3000 | 0.18 | 150 | 90 | 90 | 14 | 185 | 124 | 220 | 21 | 270 | 20 | |
| YZS5-4 | 5000 | 0.25 | 180 | 110 | 112 | 18 | 225 | 155 | 238 | 27 | 335 | 32 | |
| YZS8-4 | 8000 | 0.37 | 180 | 110 | 112 | 18 | 225 | 155 | 238 | 27 | 335 | 32 | |
| YZS10-4 | 10000 | 0.55 | 220 | 140 | 125 | 22 | 272 | 190 | 265 | 32 | 385 | 50 | |
| YZS15-4 | 15000 | 0.75 | 260 | 150 | 140 | 26 | 344 | 234 | 320 | 42 | 452 | 92 | |
| YZS20-4 | 20000 | 1.1 | 260 | 150 | 140 | 26 | 344 | 234 | 320 | 42 | 452 | 93 | |
| YZS30-4 | 30000 | 1.5 | 310 | 170 | 170 | 33 | 400 | 270 | 365 | 57 | 505 | 117 | |
| YZS50-4 | 50000 | 2.2 | 350 | 220 | 200 | 39 | 450 | 313 | 425 | 52 | 600 | 213 | |
| YZS75-4 | 75000 | 3.7 | 380 | 250 | 220 | 45 | 480 | 350 | 465 | 67 | 670 | 348 | |
| YZS1.5-6 | 1500 | 0.12 | 1000 | 150 | 90 | 90 | 14 | 185 | 124 | 220 | 21 | 270 | 20 |
| YZS3-6 | 3000 | 0.25 | 180 | 110 | 112 | 18 | 225 | 155 | 238 | 27 | 335 | 35 | |
| YZS5-6 | 5000 | 0.37 | 220 | 140 | 125 | 22 | 272 | 190 | 265 | 32 | 385 | 51 | |
| YZS8-6 | 8000 | 0.55 | 220 | 140 | 125 | 22 | 272 | 190 | 265 | 32 | 385 | 51 | |
| YZS10-6 | 10000 | 0.75 | 260 | 150 | 140 | 26 | 344 | 234 | 320 | 42 | 452 | 98 | |
| YZS15-6 | 15000 | 1.1 | 310 | 170 | 170 | 33 | 400 | 270 | 365 | 57 | 505 | 129 | |
| YZS20-6 | 20000 | 1.5 | 310 | 170 | 170 | 33 | 400 | 270 | 365 | 57 | 505 | 130 | |
| YZS30-6 | 30000 | 2.2 | 350 | 220 | 200 | 39 | 450 | 313 | 425 | 52 | 600 | 235 | |
| YZS50-6 | 50000 | 3.7 | 380 | 250 | 220 | 45 | 480 | 350 | 465 | 67 | 670 | 350 | |
實力雄厚strength
經驗豐富experience
質量保障quality
服務無憂service
18703732451
掃一掃 關注我們